
【產品類別】:提升輸送機
【產品簡述】: TH系列斗式提升機是一種常用的提升設備,該系列斗式提升機采用鍛造環鏈作為傳動部分,具有很強的機械強度,主要用于提升機粉體和小顆粒及小塊狀物料,區別于TD型皮帶斗式提升機,其提升量更大、運轉效率更高。其常用于較大比重的物料的提升。廣泛應用于冶金、化...
【產品賣點】:
【優惠活動】:按需定制 好用不貴 10米起定價
24小時熱線:13937345447
聯系電話: 0373-3516365-801、802
圖文傳真: 0373-3519169
商 務QQ:313162218
孟 經 理:13937345447
郭 經 理:13837347077
E-mail: xxzdsb@sina.com
網 址:http://www.fsguangming.cn
TH系列斗式提升機是一種常用的提升設備,該系列斗式提升機采用鍛造環鏈作為傳動部分,具有很強的機械強度,主要用于提升機粉體和小顆粒及小塊狀物料,區別于TD型皮帶斗式提升機,其提升量更大、運轉效率更高。其常用于較大比重的物料的提升。廣泛應用于冶金、化工、建材、礦山、糧油、食品、飼料、塑料、醫藥等行業。
TH型環鏈斗式提升機基本結構:
本機備有二種料斗:ZH型(中深斗)一般適用于輸送濕的、易結塊、較難拋出的物料,如濕砂、型砂、化肥、堿肥、堿粉等。SH型(深斗)一般適用于輸送干燥的、松散易于拋出的物料,如水泥、碎石、煤塊等。
本機傳動裝置有二種形式,分別配有ZJ型減速器和ZQ型減速器。ZJ型軸裝減速器直接套裝在主軸軸頭上,省去了傳動平臺,聯軸器等,使結構緊湊、重量輕、而且內部帶有異型輥逆止器,逆止可靠,該減速器噪聲低,運轉平穩,并隨主軸浮動,可消除安裝應力。TH型斗式提升機最大輸送量365m3/h,最大提升高度為50m。
TH型環鏈斗式提升機主要特點:
1. 輸送量大,相同斗寬的TH型與HL型相比,輸送量增大近一倍。
2. 采用了組裝式鏈輪。有輪體、輪緣用高強度螺栓聯接而成。在鏈輪磨損到一定程度后,可擰下螺栓,拆換輪緣,更換方便,且節約拆料、降低了維修費。
3. 下部采用了重錘杠桿式張緊裝置,即可實現自動張緊。一次安裝后不需調整,又可以保持恒定的張緊力,從而保證機器的正常運轉,避免了打滑或脫鏈。
4. 牽引件為低合金高強度園環鏈,經適當的熱處理后,具有很高的抗拉強度和耐磨性,使用壽命長。
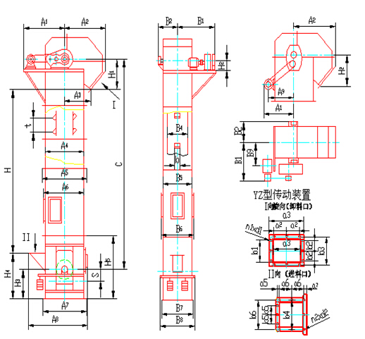
TH型斗式提升機結構型式圖如下
注釋:
1、表中斗容為計算斗容,TH型斗式提升機輸送量按填充系數0.6計算得出。
2、TH型斗式提升機料斗用途:
Zh--中深斗:輸送濕粘性物料,如糖、濕細沙等。
Sh--深斗:輸送重的粉狀至小塊狀物料,如水泥、砂、煤等。
3、HL型斗式提升機料斗用途:
Q--淺園底料斗:輸送潮濕、易結塊、難拋出的物料,如濕沙、濕煤等。
S--深園底料斗:輸送干燥的、松散的、易拋出的物料,如水泥、煤塊、碎石等。
4、TH型斗式提升機張緊力計算:
G=40+0.232·H
式中:Q--輸送量(t/h) H--提升高度(mm) G--張緊力(kg)
TH型環鏈斗式提升機技術參數表:
環鏈斗式提升機型號規格 | TH160 | TH200 | TH250 | ||||
料斗形式 | ZH | SH | ZH | SH | ZH | SH | |
輸送量(100%)米3/時 | 15.77 | 24.97 | 17.87 | 28.6 | 31.43 | 48.19 | |
料斗 | 料斗容積(盛水)升 | 1.2 | 1.9 | 1.5 | 2.4 | 3.0 | 4.6 |
料斗間距(毫米) | 500 | ||||||
鏈條 | 圓鋼直徑*節距(毫米) | 14*50 | |||||
單條破斷載荷(千牛頓) | ≥190 | ||||||
傳動鏈輪轉速(轉/分) | 69.71 | 63.22 | 44.11 | ||||
輸送物料最大塊度(毫米) | 20 | 25 | 30 | ||||
注釋:上表為TH型160、200、250型環鏈斗式提升機技術參數表,表中料斗容積為盛水容積,輸送量按此斗容計算時為100%填充。
環鏈斗式提升機型號規格 | TH315 | TH400 | TH500 | TH630 | |||||
料斗形式 | ZH | SH | ZH | SH | ZH | SH | ZH | SH | |
輸送量(100%)米3/時 | 35 | 59 | 58 | 93 | 81 | 130 | 145 | 210 | |
料斗 | 料斗容積(盛水)升 | 3.75 | 6 | 5.9 | 9 | 9.3 | 15 | 15 | 24 |
料斗間距(毫米) | 512 | 688 | |||||||
鏈條 | 圓鋼直徑*節距(毫米) | φ18*64 | φ22*86 | ||||||
單條破斷載荷(千牛頓) | ≥320 | ≥480 | |||||||
傳動鏈輪轉速(轉/分) | 44 | 37.6 | 39.7 | 35.8 | |||||
輸送物料最大塊度(毫米) | 35 | 40 | 50 | 60 | |||||
注釋:
1. 表中斗容為計算斗容,輸送量按填充系數0.6計算得出。
2. TH型環鏈斗式提升機料斗用途: Zh--中深斗:輸送濕粘性物料,如糖、濕細沙等。 Sh--深斗:輸送重的粉狀至小塊狀物料,如水泥、砂、煤等。
3. TH型環鏈斗式提升機料斗用途: Q--淺園底料斗:輸送潮濕、易結塊、難拋出的物料,如濕沙、濕煤等。 S--深園底料斗:輸送干燥的、松散的、易拋出的物料,如水泥、煤塊、碎石等。
4. 張緊力計算: G=40+0.232·H 式中:Q--輸送量(t/h) H--提升高度(mm) G--張緊力(kg)
斗提|斗式提升機加工制造:0373-3516365 13603736976 孟先生 www.fsguangming.cn.cn 新鄉市法斯特機械有限公司